J-DM型液压平衡隔膜计量泵
产品描述:性能特点(1)排量大至3000L/h,压力高达64Mpa;(2)合理的外型设计,使安装更加方便;(3)独特的三阀装置,确保流量高压输送更趋平衡;(4)内可设多种材质隔膜,可输送更多不同性能的介质

产品描述:性能特点(1)排量大至3000L/h,压力高达64Mpa;(2)合理的外型设计,使安装更加方便;(3)独特的三阀装置,确保流量高压输送更趋平衡;(4)内可设多种材质隔膜,可输送更多不同性能的介质
性能特点
(1)排量大至3000L/h,压力高达64Mpa;
(2)合理的外型设计,使安装更加方便;
(3)独特的三阀装置,确保流量高压输送更趋平衡;
(4)内可设多种材质隔膜,可输送更多不同性能的介质
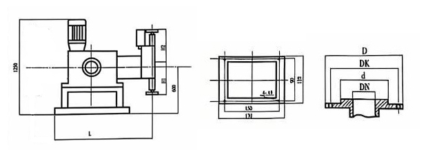
技术参数
型号规格 | 流量 (L/h) | 压力 (Mpa) | 安装尺寸(mm) | ||||||
DN | D | K | d | H1 | H2 | L | |||
J-DM-8/64 | 8 | 64 | 8 | 90 | 60 | 41 | 159 | 210 | |
J-DM-12/50 | 12 | 50 | |||||||
J-DM-14/40 | 14 | 40 | |||||||
J-DM-22/32 | 22 | 32 | 10 | 90 | 60 | 41 | 159 | 210 | |
J-DM-27/25 | 27 | 25 | |||||||
J-DM-40/25 | 40 | 25 | |||||||
J-DM-45/20 | 45 | 20 | |||||||
J-DM-65/20 | 65 | 20 | |||||||
J-DM-70/16 | 70 | 16 | 12 | 95 | 66.5 | 46 | 314 | 254 | |
J-DM-105/16 | 105 | 16 | |||||||
J-DM-120/10 | 120 | 10 | |||||||
J-DM-180/10 | 180 | 10 | |||||||
J-DM-195/8.0 | 195 | 8.0 | 16 | 105 | 85 | 56 | 320 | 400 | |
J-DM-290/6.4 | 290 | 6.4 | |||||||
J-DM-340/5.0 | 340 | 5.0 | |||||||
J-DM-460/4.0 | 460 | 4.0 | |||||||
J-DM-500/3.2 | 500 | 3.2 | 26 | 115 | 95 | 65 | 330 | 420 | |
J-DM-750/2.0 | 750 | 2.0 | |||||||
J-DM-830/1.6 | 830 | 1.6 | |||||||
J-DM-1250/1.3 | 1250 | 1.3 | |||||||
J-DM-1050/1.0 | 1050 | 1.0 | 35 | 135 | 100 | 78 | 340 | 430 | |
J-DM-1550/1.0 | 1550 | 1.0 | |||||||
J-DM-1340/0.8 | 1340 | 0.8 | 50 | 160 | 125 | 100 | 440 | 500 | |
J-DM-2000/0.5 | 2000 | 0.5 | |||||||
J-DM-3000/0.5 | 3000 | 0.5 | |||||||
电机功率:2.2-3KW 转速:1400r/min
安装尺寸(mm)
