J-X型柱塞式计量泵
产品描述:性能特点(1)适用实验室高精密配比;(2)流量从0-100%可动态调节;(3)压力可达25Mpa,流量可达260L/h;(4)体积小,重量轻,噪音低

产品描述:性能特点(1)适用实验室高精密配比;(2)流量从0-100%可动态调节;(3)压力可达25Mpa,流量可达260L/h;(4)体积小,重量轻,噪音低
性能特点
(1)适用实验室高精密配比;
(2)流量从0-100%可动态调节;
(3)压力可达25Mpa,流量可达260L/h;
(4)体积小,重量轻,噪音低
技术参数
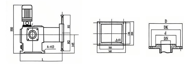
型号规格 | 流量 (L/h) | 压力 (Mpa) | 安装尺寸(mm) | ||||||
DN | D | K | d | H1 | H2 | L | |||
J-X-3/25 | 3 | 25 | 3.5 | 90 | 60 | 41 | 142 | 142 | 535 |
J-X-4/25 | 4 | 25 | |||||||
J-X-5/16 | 5 | 16 | |||||||
J-X-7/16 | 7 | 16 | |||||||
J-X-8/10 | 8 | 10 | |||||||
J-X-11/10 | 11 | 10 | |||||||
J-X-14/6.4 | 14 | 6.4 | 8 | 90 | 60 | 41 | 142 | 142 | 535 |
J-X-19/6.4 | 19 | 6.4 | |||||||
J-X-24/4.0 | 24 | 4.0 | |||||||
J-X-31/4.0 | 31 | 4.0 | |||||||
J-X-37/2.5 | 37 | 2.5 | |||||||
J-X-50/2.5 | 50 | 2.5 | |||||||
J-X-64/2.5 | 64 | 2.5 | |||||||
J-X-63/1.6 | 63 | 1.6 | |||||||
J-X-80/1.6 | 80 | 1.6 | |||||||
J-X-125/1.6 | 125 | 1.6 | |||||||
J-X-78/1.0 | 78 | 1.0 | 10 | 95 | 60 | 46 | 167 | 167 | 545 |
J-X-100/1.0 | 100 | 1.0 | |||||||
J-X-155/1.0 | 155 | 1.0 | |||||||
J-X-97/0.5 | 97 | 0.5 | |||||||
J-X-130/0.5 | 130 | 0.5 | |||||||
J-X-195/0.5 | 195 | 0.5 | |||||||
J-X-260/0.2 | 260 | 0.2 | |||||||
电机功率:0.37KW-0.55KW 转速:1400r/min
安装尺寸(mm)
