J-W型柱塞式计量泵
产品描述:性能特点(1)流量可达44L/h,压力可达6.4Mpa;(2)安装简单、操作简便(3)计量 ,0-100%可动态调节;(4)抗化学腐蚀性强;(5)适用于净化,污水处理,实验室,化验室和其他各种小计量加液

产品描述:性能特点(1)流量可达44L/h,压力可达6.4Mpa;(2)安装简单、操作简便(3)计量 ,0-100%可动态调节;(4)抗化学腐蚀性强;(5)适用于净化,污水处理,实验室,化验室和其他各种小计量加液
性能特点
(1)流量可达44L/h,压力可达6.4Mpa;
(2)安装简单、操作简便
(3)计量 ,0-100%可动态调节;
(4)抗化学腐蚀性强;
(5)适用于净化,污水处理,实验室,化验室和其他各种小计量加液
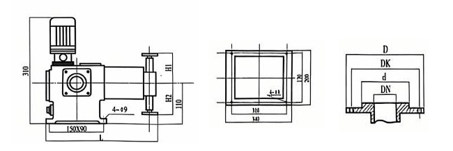
技术参数
型号规格 | 流量 (L/h) | 压力 (Mpa) | 安装尺寸(mm) | ||||||
DN | D | K | d | H1 | H2 | L | |||
J-W-0.4/6.4 | 0.4 | 6.4 |
3.5 |
122 |
122 | ||||
J-W-0.8/6.4 | 0.8 | 6.4 | |||||||
J-W-1.0/4.0 | 1.0 | 4.0 | |||||||
J-W-2.0/4.0 | 2.0 | 4.0 | |||||||
J-W-3.0/2.5 | 3.0 | 2.5 | |||||||
J-W-4.0/2.5 | 4.0 | 2.5 | |||||||
J-W-3.2/1.6 | 3.2 | 1.6 | |||||||
J-W-6.4/1.6 | 6.4 | 1.6 |
7 |
142 |
142 | ||||
J-W-5.0/1.0 | 5.0 | 1.0 | |||||||
J-W-10/1.0 | 10 | 1.0 | |||||||
J-W-9/0.6 | 9 | 0.6 | |||||||
J-W-18/0.6 | 18 | 0.6 | |||||||
J-W-14/0.4 | 14 | 0.4 | |||||||
J-W-28/0.4 | 28 | 0.4 | |||||||
J-W-22/0.2 | 22 | 0.2 | |||||||
J-W-44/0.2 | 44 | 0.2 | |||||||
电机功率:0.25KW 转速:1400r/min
安装尺寸(mm)
